BỘ ĐIỀU KHIỂN TỤ BÙ
Các ưu điểm nổ bật:
- Sử dụng chip xử lý cao cấp CMOS của USA
- Tự động nhận biết cực tính của biến dòng đầu vào.
- Tự động tính toán dung lượng cần bù, không cần cài đặt tỷ số biến dòng và dung lượng từng cấp tụ
- Tự động tách các bước tụ ra khỏi lưới khi điện áp vượt quá ngưỡng đặt trước
- Do việc đóng/cắt tụ liên tục sẽ làm giảm tuổi thọ tụ và contactor nên bộ điều khiển được tích hơp chức năng hạn chế đóng cắt theo ngưỡng. Nếu dung lượng cần bù nhỏ hơn 1.1 lần dung lượng 1 bước tụ thì tụ cũng không được đóng mặc dù cosϕ nhỏ hơn giá trị đặt.
- Khi tụ cắt ra khỏi lưới, trên đầu cực tụ vẫn còn điện áp dư, nếu tụ đóng lại ngay sẽ gây ra quá áp, ảnh hưởng đến tuổi thọ tụ. Chính vì vậy trong bộ điều khiển đã đặt sẵn một thời gian trễ lớn hơn 1 phút nhằm giảm áp đầu cực tụ xuống dưới 50V thông qua điện trở xả bên trong tụ.
Các lưu ý khi thiết kế và đấu dây:
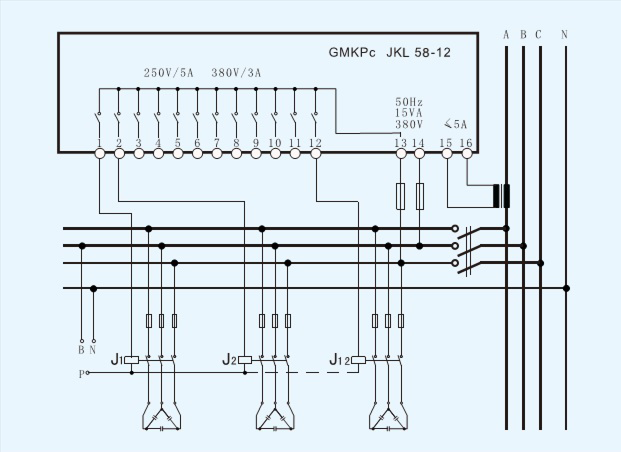
- Tín hiệu dòng lấy từ biến dòng của tủ điện tổng (không phải biến dòng của tủ tụ bù)
- Tín hiệu dòng lấy từ pha A thì tín hiệu áp lấy từ pha B-C (hai pha lấy tín hiệu áp khác với pha lấy tín hiệu dòng)
- Theo sơ đồ dưới đây, nếu sử dụng contactor cuộn hút 220VAC thì nối P với N, nếu cuộn hút 380VAC thì nối P với B
Thông số kỹ thuật
BỘ ĐIỀU KHIỂN TỤ BÙ
| Điện áp làm việc | Un | 380V + 20%, 50Hz |
| Dòng đầu vào | In | ≤ 5A |
| Tiếp điểm đầu ra | Qn | 250VAC/5A, 380VAC/3A |
| Phương thức vận hành | Làm việc liên tục và theo chu trình vòng tròn tự động |
| Ngưỡng đóng tụ | Dung lượng cần bù lớn hơn 1.1 lần dung lượng 1 cấp tụ và cosϕ nhỏ hơn giá trị đặt | |
| Ngưỡng cắt tụ | Dung lượng bù vượt quá giá trị đặt | |
| Dải cài đặt cosϕ | 0.90-0.99 | |
| Dải cài đặt thời gian trễ | 10-99s | |
| Dải cài đặt bảo vệ quá áp | 410-470V, ngưỡng phục hồi 8-10V | |
| Dải cài đặt số bước tụ làm việc | 1-7 (bộ điều khiển 7 cấp), 1-12 (bộ 12 cấp) | |
| Thời gian trễ đóng cắt cùng cấp tụ | Hơn 60s | |
| Độ cao lắp đặt | Không lớn hơn 2000m (so với mực nước biển) | |
| Nhiệt độ môi trường làm việc | -10o C đến + 50oC | |
| Độ ẩm môi trường | 85% ở 25 oC | |
| Kích thước lắp đặt (mặt khoét) | 68×68 mm (bộ điều khiển 7 cấp), 113×113 (bộ 12 cấp) |


